SERVIÇOS
Automação
e controlo
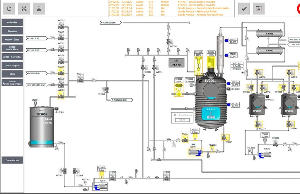
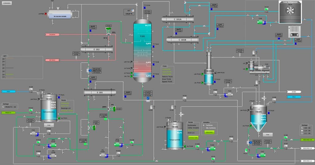
A MAIS Quadros representa marcas com expressão internacional no desenvolvimento de soluções para o controlo e automação dos processos industriais







A MAIS Quadros representa marcas com expressão internacional no desenvolvimento de soluções para o controlo e automação dos processos industriais. Possuímos uma equipa de técnicos especializados nas nossas soluções e nas vertentes tecnológicas mais emergentes, garantindo aconselhamento e suporte técnico para qualquer tipo de indústria e aplicação final pretendida. Conheça o nosso portfolio de soluções de controlo e automação através do nosso integrador MAIS Quadros.